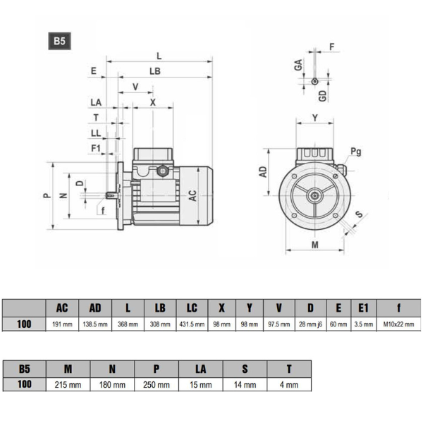
Mã hộp giảm tốc: NMRV090-25-100B5
Công suất: 2.2KW
Tỉ số truyền: 1/25
Kiểu lắp: Trục vuông góc, Cốt âm hoặc Cốt dương, Chân đế hoặc Mặt bích
Điện áp sử dụng: 3 Pha 220V/ 380V
Size hộp số: NMRV090 / RV90
Size mặt bích: 100B5
Đường kính trục ra: 35mm
Thương hiệu: GIMO
Bảo hành: 18 tháng
MOTOR GIẢM TỐC NMRV là một loại động cơ giảm tốc được sử dụng rộng rãi trong nhiều ngành công nghiệp khác nhau. Điểm đặc biệt của loại motor này nằm ở thiết kế tối ưu, khả năng hoạt động bền bỉ và hiệu suất truyền động cao. Cấu tạo chính của MOTOR GIẢM TỐC NMRV bao gồm hộp giảm tốc, trục vít, bánh vít và các bộ phận hỗ trợ khác kết hợp với motor. Thiết kế này cho phép nó đạt được tỷ số truyền động lớn, giúp giảm tốc độ đầu ra của động cơ đồng thời tăng moment xoắn.

Nguyên lý hoạt động của MOTOR GIẢM TỐC NMRV dựa trên sự ăn khớp giữa trục vít và bánh vít. Khi trục vít quay, nó sẽ truyền động cho bánh vít, làm bánh vít quay với tốc độ chậm hơn. Tỷ số truyền động được xác định bởi số lượng răng của bánh vít và số đầu mối của trục vít. Chúng thường được sử dụng trong các ứng dụng yêu cầu tốc độ chậm và moment xoắn lớn, ví dụ như trong các hệ thống băng tải, máy móc sản xuất và thiết bị tự động hóa.
MOTOR GIẢM TỐC NMRV sở hữu nhiều ưu điểm vượt trội, làm cho nó trở thành lựa chọn hàng đầu trong nhiều ứng dụng công nghiệp:

MOTOR GIẢM TỐC NMRV được ứng dụng rộng rãi trong nhiều lĩnh vực khác nhau của đời sống và sản xuất:

Ngoài ra, MOTOR GIẢM TỐC NMRV còn được dùng trong cơ khí chế tạo máy, các ngành công nghiệp sản xuất, ngành môi trường, dược liệu,..
Ví dụ, trong một nhà máy sản xuất bánh kẹo, MOTOR GIẢM TỐC NMRV có thể được sử dụng để điều khiển băng tải vận chuyển nguyên liệu, máy trộn và máy đóng gói sản phẩm. Nhờ có MOTOR GIẢM TỐC NMRV, quá trình sản xuất diễn ra liên tục và ổn định, đảm bảo chất lượng sản phẩm và tăng năng suất.
Mã hộp giảm tốc: NMRV090-25-100B5
Công suất: 2.2KW
Tỉ số truyền: 1/25
Kiểu lắp: Trục vuông góc, Cốt âm hoặc Cốt dương, Chân đế hoặc Mặt bích
Điện áp sử dụng: 3 Pha 220V/ 380V
Size hộp số: NMRV090 / RV90
Size mặt bích: 100B5
Đường kính trục ra: 35mm
Phụ kiện: mặt bích phụ, torque arm, cốt dương, nút hở, nắp che,..


Mã hộp giảm tốc: NMRV040-5-71B5
Công suất: 0.37KW
Tỉ số truyền: 1/5
Kiểu lắp: Trục vuông góc, Cốt âm hoặc Cốt dương, Chân đế hoặc Mặt bích
Điện áp sử dụng: 3 Pha 220V/ 380V
Size hộp số: NMRV040 / RV40
Size mặt bích: 71B5
Đường kính trục ra: 18mm
Thương hiệu: GIMO
Bảo hành: 18 tháng
Mã hộp giảm tốc: NMRV040-10-71B5
Công suất: 0.37KW
Tỉ số truyền: 1/10
Kiểu lắp: Trục vuông góc, Cốt âm hoặc Cốt dương, Chân đế hoặc Mặt bích
Điện áp sử dụng: 3 Pha 220V/ 380V
Size hộp số: NMRV040 / RV40
Size mặt bích: 71B5
Đường kính trục ra: 18mm
Thương hiệu: GIMO
Bảo hành: 18 tháng
Mã hộp giảm tốc: NMRV040-15-71B5
Công suất: 0.37KW
Tỉ số truyền: 1/15
Kiểu lắp: Trục vuông góc, Cốt âm hoặc Cốt dương, Chân đế hoặc Mặt bích
Điện áp sử dụng: 3 Pha 220V/ 380V
Size hộp số: NMRV040 / RV40
Size mặt bích: 71B5
Đường kính trục ra: 18mm
Thương hiệu: GIMO
Bảo hành: 18 tháng
Mã hộp giảm tốc: NMRV040-20-71B5
Công suất: 0.37KW
Tỉ số truyền: 1/20
Kiểu lắp: Trục vuông góc, Cốt âm hoặc Cốt dương, Chân đế hoặc Mặt bích
Điện áp sử dụng: 3 Pha 220V/ 380V
Size hộp số: NMRV040 / RV40
Size mặt bích: 71B5
Đường kính trục ra: 18mm
Thương hiệu: GIMO
Bảo hành: 18 tháng
Mã hộp giảm tốc: NMRV040-25-71B5
Công suất: 0.37KW
Tỉ số truyền: 1/25
Kiểu lắp: Trục vuông góc, Cốt âm hoặc Cốt dương, Chân đế hoặc Mặt bích
Điện áp sử dụng: 3 Pha 220V/ 380V
Size hộp số: NMRV040 / RV40
Size mặt bích: 71B5
Đường kính trục ra: 18mm
Thương hiệu: GIMO
Bảo hành: 18 tháng
Mã hộp giảm tốc: NMRV040-30-71B5
Công suất: 0.37KW
Tỉ số truyền: 1/30
Kiểu lắp: Trục vuông góc, Cốt âm hoặc Cốt dương, Chân đế hoặc Mặt bích
Điện áp sử dụng: 3 Pha 220V/ 380V
Size hộp số: NMRV040 / RV40
Size mặt bích: 71B5
Đường kính trục ra: 18mm
Thương hiệu: GIMO
Bảo hành: 18 tháng
Mã hộp giảm tốc: NMRV040-40-71B5
Công suất: 0.37KW
Tỉ số truyền: 1/40
Kiểu lắp: Trục vuông góc, Cốt âm hoặc Cốt dương, Chân đế hoặc Mặt bích
Điện áp sử dụng: 3 Pha 220V/ 380V
Size hộp số: NMRV040 / RV40
Size mặt bích: 71B5
Đường kính trục ra: 18mm
Thương hiệu: GIMO
Bảo hành: 18 tháng
Mã hộp giảm tốc: NMRV040-50-71B5
Công suất: 0.37KW
Tỉ số truyền: 1/50
Kiểu lắp: Trục vuông góc, Cốt âm hoặc Cốt dương, Chân đế hoặc Mặt bích
Điện áp sử dụng: 3 Pha 220V/ 380V
Size hộp số: NMRV040 / RV40
Size mặt bích: 71B5
Đường kính trục ra: 18mm
Thương hiệu: GIMO
Bảo hành: 18 tháng