Công suất: 1.5KW / 2HP
Điện áp sử dụng: Ngõ vào 3 Pha 380V - Ngõ ra 3 Pha 380V
Hỗ trợ truyền thông: MODBUS RS485
Thương hiệu: ARINCO
Bảo hành: 18 tháng
Biến tần ARINCO AV23 là một dòng sản phẩm biến tần mới của Thiên Hổ, với những cải tiến mạnh mẽ, hiệu năng vượt trội trong lĩnh vực tự động hóa công nghiệp. Dòng biến tần này được thiết kế để đáp ứng nhu cầu ngày càng cao về điều khiển và tiết kiệm năng lượng trong các ứng dụng động cơ điện. ARINCO AV23 nổi bật với khả năng hoạt động ổn định, độ bền cao và nhiều tính năng thông minh, giúp tối ưu hóa hiệu suất hệ thống và giảm thiểu chi phí vận hành.

Biến tần ARINCO AV23 được sử dụng rộng rãi trong nhiều ngành công nghiệp khác nhau từ sản xuất, chế biến thực phẩm, vật liệu và năng lượng. Với khả năng điều khiển chính xác tốc độ động cơ, giúp cải thiện hiệu quả sản xuất, giảm hao mòn thiết bị và tiết kiệm năng lượng đáng kể.
Biến tần ARINCO AV23 sở hữu nhiều ưu điểm vượt trội so với các dòng biến tần khác trên thị trường. Dưới đây là một số ưu điểm nổi bật:

Biến tần ARINCO AV23 được ứng dụng rộng rãi trong nhiều lĩnh vực công nghiệp khác nhau. Dưới đây là một số ví dụ về các ứng dụng thực tế:
Với những ưu điểm vượt trội và ứng dụng rộng rãi, biến tần ARINCO AV23 là một giải pháp hiệu quả và đáng tin cậy cho việc điều khiển cùng với tiết kiệm năng lượng trong các hệ thống sản xuất.
Mã hàng: AV23-0-1R5G3
Công suất: 1.5KW / 2HP
Điện áp sử dụng: Ngõ vào 3 Pha 380V - Ngõ ra 3 Pha 380V
Dải tần số: 0 ~ 500 (Hz), mặc định 50 (Hz)
Cổng tín hiệu:
• 6 ngõ vào số DI
• 2 ngõ vào analog AI
• 2 ngõ ra analog AO
• 2 relay
• Màn hình có thể kéo rời, công tắc ngoài, chiết áp ngoài.
Phương pháp điều khiển: Điều khiển V/f, Vectơ vòng hở, Vectơ vòng kín.
Chức năng: Điều khiển đa cấp tốc độ, điều khiển momen, PID, simple PLC,..
Hỗ trợ truyền thông: MODBUS RS485
Chức năng bảo vệ: Quá áp, quá dòng, quá nhiệt, quá tải, mất pha,..
Ứng dụng: Băng tải, máy bơm, quạt, máy dệt, máy khuấy,..
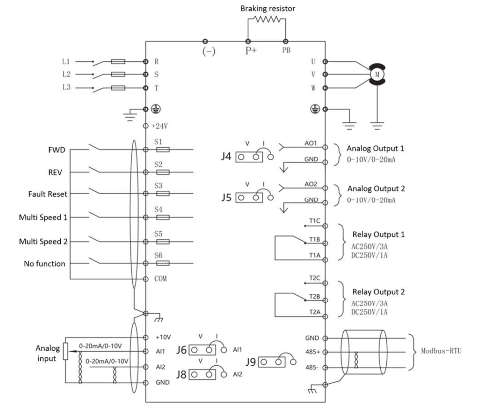
Sơ đồ kết nối:
Công suất: 0.75KW / 1HP
Điện áp sử dụng: Ngõ vào 1 Pha 220V - Ngõ ra 3 Pha 220V
Hỗ trợ truyền thông: MODBUS RS485
Thương hiệu: ARINCO
Bảo hành: 18 tháng
Công suất: 1.5KW / 2HP
Điện áp sử dụng: Ngõ vào 1 Pha 220V - Ngõ ra 3 Pha 220V
Hỗ trợ truyền thông: MODBUS RS485
Thương hiệu: ARINCO
Bảo hành: 18 tháng
Công suất: 2.2KW / 3HP
Điện áp sử dụng: Ngõ vào 1 Pha 220V - Ngõ ra 3 Pha 220V
Hỗ trợ truyền thông: MODBUS RS485
Thương hiệu: ARINCO
Bảo hành: 18 tháng
Công suất: 0.75KW / 1HP
Điện áp sử dụng: Ngõ vào 3 Pha 380V - Ngõ ra 3 Pha 380V
Hỗ trợ truyền thông: MODBUS RS485
Thương hiệu: ARINCO
Bảo hành: 18 tháng
Công suất: 1.5KW / 2HP
Điện áp sử dụng: Ngõ vào 3 Pha 380V - Ngõ ra 3 Pha 380V
Hỗ trợ truyền thông: MODBUS RS485
Thương hiệu: ARINCO
Bảo hành: 18 tháng
Công suất: 2.2KW / 3HP
Điện áp sử dụng: Ngõ vào 3 Pha 380V - Ngõ ra 3 Pha 380V
Hỗ trợ truyền thông: MODBUS RS485
Thương hiệu: ARINCO
Bảo hành: 18 tháng